Свічка розжарення BERU GE125
- Виробник
-
BERU
(Німеччина)
- Каталоговий номер
- GE125
- Схемы
- смотреть →
- Момент затяжки від [Нм]
- 8
- Момент затяжки до [Нм]
- 10
- Напруга [В]
- 4.4
- Техніка приєднання
- 4 PIN
- Схильність конуса
- 93
- Довжина [мм]
- 93
- Розмір різьби
- M8x1.0
- Ширина зіву гайкового ключа
- 8
- Сила струму [A]
- 8
- Довжина попереджувального контакту
- Штифтова свічка розжарювання
- Монтажна глибина [мм]
- 30
- Момент розриву [Нм]
- 20
- EAN
- 4014427141785
Застосовність
- Товар підходить до марок/моделей авто:
- - Chevrolet: Captiva, Cruze, Epica, Lacetti, Nubira
- - Daewoo: Nubira
- - Opel: Antara
- Товарна група:
- - Електрика та Освітлення Свічка розжарювання
Про виробника BERU
Beru — експерт у сфері систем запалювання та холодного запуску дизеля.
Beru — німецький бренд із більш ніж 100-річною історією, який спеціалізується на виробництві свічок запалювання, свічок розжарювання, котушок запалювання, блоків управління розжарюванням та електронних компонентів. Сьогодні Beru входить до складу американської групи BorgWarner.
Продукція Beru використовується як в OEM-комплектації на заводах Mercedes-Benz, BMW, VW, Opel, Ford, так і на вторинному ринку. Відзначається високою якістю, стійкістю до зносу та оптимальною роботою в холодну пору року.
Сайт: https://www.borgwarner.com/aftermarket
Каталог: смотреть →
Вас може зацікавити
Аналоги "GE125 BERU":
- Артикул:
- GE101
- BERU
-
Німеччина
Момент затяжки від [Нм]: 8
Момент затяжки до [Нм]: 10
Напруга [В]: 4.4
Техніка приєднання: 4 PIN
Схильність конуса: 93
Довжина [мм]: 117
Розмір різьби: M8x1.0
Підготовка палива: Система с насос-форсунками (PDS)
Ширина зіву гайкового ключа: 8
Сила струму [A]: 25
Довжина попереджувального контакту: Штифтова свічка розжарювання
Монтажна глибина [мм]: 30
- Артикул:
- 0250403010
- BOSCH
-
Німеччина
Техніка приєднання: PIN
Схильність конуса: 93
Довжина [мм]: 94
Розмір різьби: M 8 x 1.0
Ширина зіву гайкового ключа: 8
Довжина попереджувального контакту: Дротова свічка розжарювання
Монтажна глибина [мм]: 30
Момент затяжки від [Нм]:
Момент затяжки до [Нм]: 10
- Артикул:
- DG633
- DENSO
-
Японія
Техніка приєднання: Pin
Схильність конуса: 93
Розмір різьби: M8x1.0
Загальна довжина [мм]: 129
Ширина зіву гайкового ключа: 8
Вага [г]: 23.5
Версія: Instant heating
Момент затяжки від [Нм]: 8
Момент затяжки до [Нм]: 10
- Артикул:
- DG193
- DENSO
-
Японія
Напруга [В]: 4.4
Для оригінального номера: 059963319J
Техніка приєднання: Pin
Розмір різьби: M10x1.0
Загальна довжина [мм]: 126.3
Ширина зіву гайкового ключа: 10
Вага [г]: 35.3
Версія: Instant heating
Момент затяжки від [Нм]: 10
Момент затяжки до [Нм]: 12
- Артикул:
- GE100
- BERU
-
Німеччина
Момент затяжки від [Нм]: 15
Момент затяжки до [Нм]: 20
Напруга [В]: 5
Техніка приєднання: 4 PIN
Схильність конуса: 63
Довжина [мм]: 97
Розмір різьби: M10x1.0
Підготовка палива: Система с насос-форсунками (PDS)
Ширина зіву гайкового ключа: 10
Сила струму [A]: 25
Довжина попереджувального контакту: Штифтова свічка розжарювання
Монтажна глибина [мм]: 30
- Артикул:
- GE105
- BERU
-
Німеччина
Момент затяжки від [Нм]: 8
Момент затяжки до [Нм]: 10
Напруга [В]: 4.4
Техніка приєднання: 4 PIN
Схильність конуса: 93
Довжина [мм]: 149
Розмір різьби: M8x1.0
Ширина зіву гайкового ключа: 8
Сила струму [A]: 25
Довжина попереджувального контакту: Штифтова свічка розжарювання
Монтажна глибина [мм]: 27
Момент розриву [Нм]: 20
- Артикул:
- DG-604
- DENSO
-
Японія
Момент затяжки до [Нм]: 10
Альтернативный товар: -
Напруга [В]: 4.4
Для оригінального номера: 4805511
Техніка приєднання: Pin
Схильність конуса: 93
Розмір різьби: M8x1.0
Загальна довжина [мм]: 93.9
Ширина зіву гайкового ключа: 8
Вага [г]: 16.3
Версія: Instant heating
Момент затяжки від [Нм]: 8
- Артикул:
- DG-610
- DENSO
-
Японія
Альтернативный товар: -
Напруга [В]: 4.4
Техніка приєднання: Pin
Схильність конуса: 93
Розмір різьби: M8x1.0
Загальна довжина [мм]: 135.0
Ширина зіву гайкового ключа: 8
Вага [г]: 24.5
Версія: Instant heating
Момент затяжки від [Нм]: 8
Момент затяжки до [Нм]: 10
- Артикул:
- DG-619
- DENSO
-
Японія
Альтернативный товар: -
Напруга [В]: 4.4
Техніка приєднання: Pin
Схильність конуса: 63
Розмір різьби: M10x1.0
Загальна довжина [мм]: 90.5
Ширина зіву гайкового ключа: 10
Вага [г]: 23.7
Версія: Instant heating
Момент затяжки від [Нм]: 10
Момент затяжки до [Нм]: 12
- Артикул:
- DG-190
- DENSO
-
Японія
Альтернативный товар: -
Напруга [В]: 4.4
Для оригінального номера: N10579802
Техніка приєднання: Pin
Схильність конуса: 93
Розмір різьби: M8x1.0
Загальна довжина [мм]: 117.6
Ширина зіву гайкового ключа: 8
Вага [г]: 20
Версія: Instant heating
Момент затяжки від [Нм]: 8
- Артикул:
- GE110
- BERU
-
Німеччина
Момент затяжки від [Нм]: 15
Момент затяжки до [Нм]: 20
Напруга [В]: 4.4
Техніка приєднання: 4 PIN
Схильність конуса: 63
Довжина [мм]: 97
Розмір різьби: M10x1.0
Ширина зіву гайкового ключа: 10
Сила струму [A]: 25
Довжина попереджувального контакту: Штифтова свічка розжарювання
Монтажна глибина [мм]: 25
Для экологического класса по производителю: EURO 5
- Артикул:
- GE111
- BERU
-
Німеччина
Момент затяжки від [Нм]: 15
Момент затяжки до [Нм]: 20
Напруга [В]: 4.4
Техніка приєднання: 4 PIN
Схильність конуса: 63
Довжина [мм]: 91
Розмір різьби: M10x1.0
Ширина зіву гайкового ключа: 10
Сила струму [A]: 25
Довжина попереджувального контакту: Штифтова свічка розжарювання
Монтажна глибина [мм]: 25
Для экологического класса по производителю: EURO 5
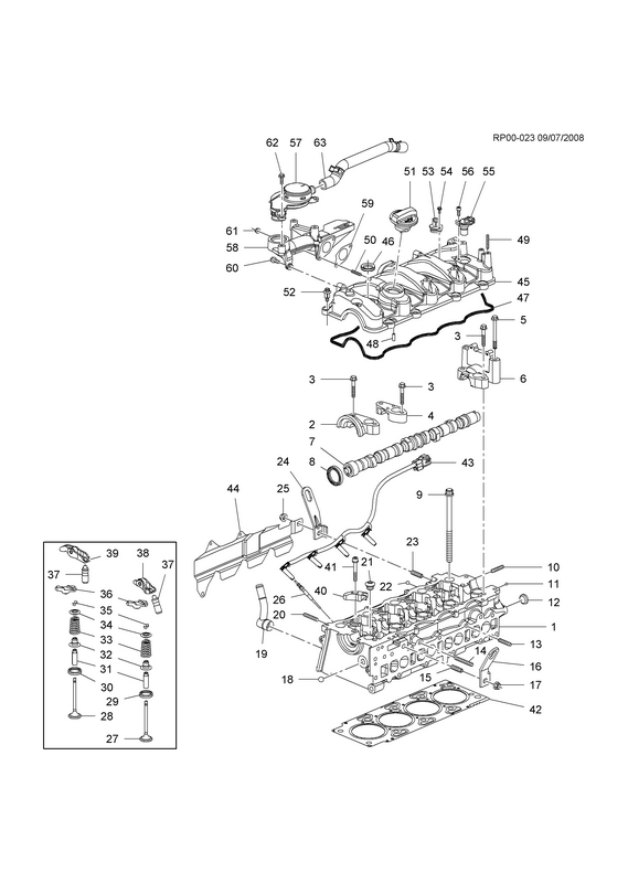
Применяемость по схемам
|
12 СВІЧКА ПІДІГРІВУ
|
|
|
|
ГОЛОВКА ЦИЛІНДРІВ (ДИЗЕЛЬ) (1317) 13170
|
|
|
|
ГОЛОВКА ЦИЛІНДРІВ (ДИЗЕЛЬ) (1317) 13170
|
|
|
|
ГОЛОВКА ЦИЛІНДРІВ (ДИЗЕЛЬ) (1317) 13170
|
|
|
|
ГОЛОВКА ЦИЛІНДРІВ (ДИЗЕЛЬ) (1317) 13170
|
|
|
|
PP, PQ, PR69 ДВИГ. СБ. 2.0 Л4 PART 2 ГОЛОВКА ЦИЛІНДРІВ ТА ЗВ'ЯЗАНІ ДЕТАЛІ (LLW/2.0R) RP00-023
|
|
|
|
L26 ДВИГ. СБ. - ДИЗЕЛЬ PART 2 ГОЛОВК. Циліндр. І ЗВ'ЯЗАНІ ДЕТАЛІ (LLW/2.0R LMN/2.0U) KL00-150
|
|
