Ущільнююче кільце VICTOR REINZ 81-53424-00
Дана запчастина не підходить для вибраного автомобіля
потрібна перевірка за VIN-кодом, уточнюйте сумісність у наших фахівців
потрібна перевірка за VIN-кодом, уточнюйте сумісність у наших фахівців
|
338 ₴
321 ₴
завтра
|
- Виробник
-
VICTOR REINZ
(Німеччина)
- Каталоговий номер
- 81-53424-00
- Схемы
- смотреть →
- Висота [мм]
- 8
- Матеріал
- NBR (бутадієн-нітрильний каучук)
- Внутрішній діаметр
- 60
- Зовнішній діаметр [мм]
- 75
- Тип крутіння
- лівий крутіння
- Тип сальника валу
- A SL
- EAN
- 4026634323328
Застосовність
- Товар підходить до марок/моделей авто:
- - Hyundai: Atos, Getz, I10
- - KIA: Picanto
- Товарна група:
- - Двигун і Система вихлопу Сальник колінчастого вала
Про виробника VICTOR REINZ
Країна : Німеччина
Victor Reinz — німецькі прокладки, сальники та герметики для двигуна.
Victor Reinz — провідний німецький бренд, що належить корпорації Dana Incorporated (США), спеціалізується на виробництві прокладок ГБЦ, сальників, ущільнювачів, ремкомплектів двигуна, випускних прокладок і герметиків.
Запчастини Victor Reinz широко застосовуються як оригінальні комплектуючі (OEM) у виробництві автомобілів BMW, Mercedes-Benz, Audi, Opel, Ford та ін., а також представлені в сегменті aftermarket.
Шукаєте прокладки або сальники Victor Reinz? Це еталон герметичності з німецькою точністю.
Аналоги "81-53424-00 VICTOR REINZ":
329
₴
- Артикул:
- 725.770
- ELRING
-
Німеччина
Захист від пилу: з пилозахисним краєм
Класифікаційний код товару: 8484200000
Висота [мм]: 8
Матеріал: MVG (кремнійорганічний каучук)
Внутрішній діаметр: 60
Зовнішній діаметр [мм]: 75
Тип крутіння: лівий крутіння
Тип сальника валу: AS
Класифікаційний код товару: 8484200000
Висота [мм]: 8
Матеріал: MVG (кремнійорганічний каучук)
Внутрішній діаметр: 60
Зовнішній діаметр [мм]: 75
Тип крутіння: лівий крутіння
Тип сальника валу: AS
253 ₴
завтра
- Артикул:
- 8132001
- Elwis Royal
-
Данія
Тип сальника валу: AS
Конструкція прокладки: Прокладка метало-еластомірна
Сторона встановлення: з боку коробки передач
Ширина [мм]: 8
Необхідна кількість: 1
Матеріал: NBR (бутадієн-нітрильний каучук)
Внутрішній діаметр: 60
Зовнішній діаметр [мм]: 75
Тип крутіння: лівий крутіння
Конструкція прокладки: Прокладка метало-еластомірна
Сторона встановлення: з боку коробки передач
Ширина [мм]: 8
Необхідна кількість: 1
Матеріал: NBR (бутадієн-нітрильний каучук)
Внутрішній діаметр: 60
Зовнішній діаметр [мм]: 75
Тип крутіння: лівий крутіння
88 ₴
завтра
- Артикул:
- KM0400062
- KAP/TOPIC
-
Корея
Применяемость по схемам
|
Кришка ремінного приводу та масляний картер, SOHC
|
|
|
|
Кришка ремінного приводу та масляний картер, SOHC
|
|
|
|
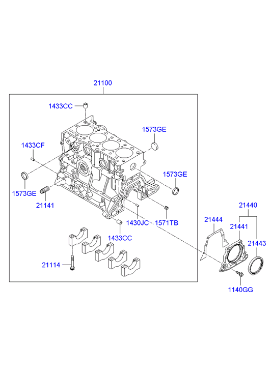
блок циліндрів у зборі (03/05)
блок циліндрів у зборі (04/05) блок циліндрів у зборі (01/05) блок циліндрів у зборі (05/05) блок циліндрів у зборі (02/05) |
|
|
|
блок циліндрів у зборі
(Робочий об'єм двигуна: 1100 CC - EPSILON) |
|
|
|
блок циліндрів у зборі
(Робочий об'єм двигуна: 1000 CC - EPSILON) блок циліндрів у зборі (Робочий об'єм двигуна: 1100 CC - EPSILON) |
|
|
|
блок циліндрів у зборі, SOHC
|
|
Оригінальні номери
MOBIS:
2144302500
OEM:
2144302501
Каталог запчастин для автомобілів до яких застосовується ця деталь
